2024. 11. 12. 21:37ㆍ기하공차 기초
데이텀과 DRF는 본격적으로 GD&T를 해석하고 적용하기 전에 이해해야 할 기본 개념 중 하나다. 데이텀은 3차원 공간에서 피쳐의 위치나 자세를 정하는 이론적인 기준이다. 이 글에서는 데이텀을 소개하고 그것이 왜 GD&T를 이해하는데 중요한지 살펴보겠다.
AMSE의 정의
먼저 ASME에서 데이텀을 어떻게 정의하고 있는지 살펴보자. ASME의 7장은 데이텀과 DRF에 대한 내용이다. 7장을 시작하기에 앞서 다음과 같이 7장을 소개하고 있다.
This Section also establishes the criteria for establishing datums and the datum reference frame using true geometric counterparts derived from datum features.
이 장은 데이텀 피쳐로부터 유도된 TGC를 사용하여 데이텀을 도출하고 DRF를 구축하는 기준을 정한다.
ASME Y14.5-2018, 7.1절
위의 내용을 보면, 데이텀은 데이텀 피쳐로부터 유도된 TGC를 사용하여 도출된다. 7장으로 그러한 과정에서 필요한 기준을 설명하고 있다. 그렇다면 데이텀, 데이텀 피쳐, TGC는 무엇일까? ASME 3장에 있는 정의를 중심으로 살펴보자.
* 데이텀에 대한 정의
datum: a theoretically exact point, axis, line, plane, or combination thereof derived from the true geometric counterpart.
데이텀 : TGC로부터 유도된 이론적으로 엄밀한 점, 축, 선, 평면 또는 이들의 조합.
ASME Y14.5-2018, 3.14절
* TGC에 대한 정의
true geometric conterpart: the theoretically perfect boundary used to establish a datum form a specified datum feature.
NOTE : This term is only applicable to datums.
TGC : 명시된 데이텀 피쳐로부터 데이텀을 도출하기 위해 사용되는 이론적으로 완벽한 경계. 이 용어는 데이텀에만 한정하여 사용한다.
ASME Y14.5-2018, 3.66절
* 데이텀 피쳐에 대한 정의
datum feature: a feature that is identified with either a datum feature symbol or a datum target symbol(s).
데이텀 피쳐 : 데이텀 피쳐 심볼이나 데이텀 타겟 심볼로 식별된 피쳐.
ASME Y14.5-2018, 3.17절
위의 내용을 종합해보면, 데이텀 피쳐는 도면에 데이텀 피쳐 심볼로 식별된 피쳐이고, 그 명시된 피쳐로부터 얻어지는 완벽한 경계인 TGC를 사용하여 엄밀한 점, 선, 면인 데이텀을 도출한다고 정리할 수 있다. 데이텀 피쳐는 도면에 표기된 피쳐이고, TGC는 완벽한 경계이고, 데이텀은 엄밀한 점, 선, 면이다. 데이텀 피쳐로부터 TGC가 얻어지고, TGC로부터 데이텀이 얻어진다. ASME에 정의된 내용을 중심으로 살펴봤다. 그런데 갑자기 튀어나온 TGC에서 뭔가 막히는 기분이다. 데이텀, 데이텀 피쳐, TGC에 대해서는 이후에 자세히 설명할 것이다.
데이텀 피쳐는 도면에 표기된 피쳐이고,
데이텀은 점, 선, 면이다.
데이텀 피쳐는 도면에 표기된 피쳐라고 했다. 그렇다면, 도면에서 데이텀 피쳐가 어떻게 표현되는지 살펴보자.

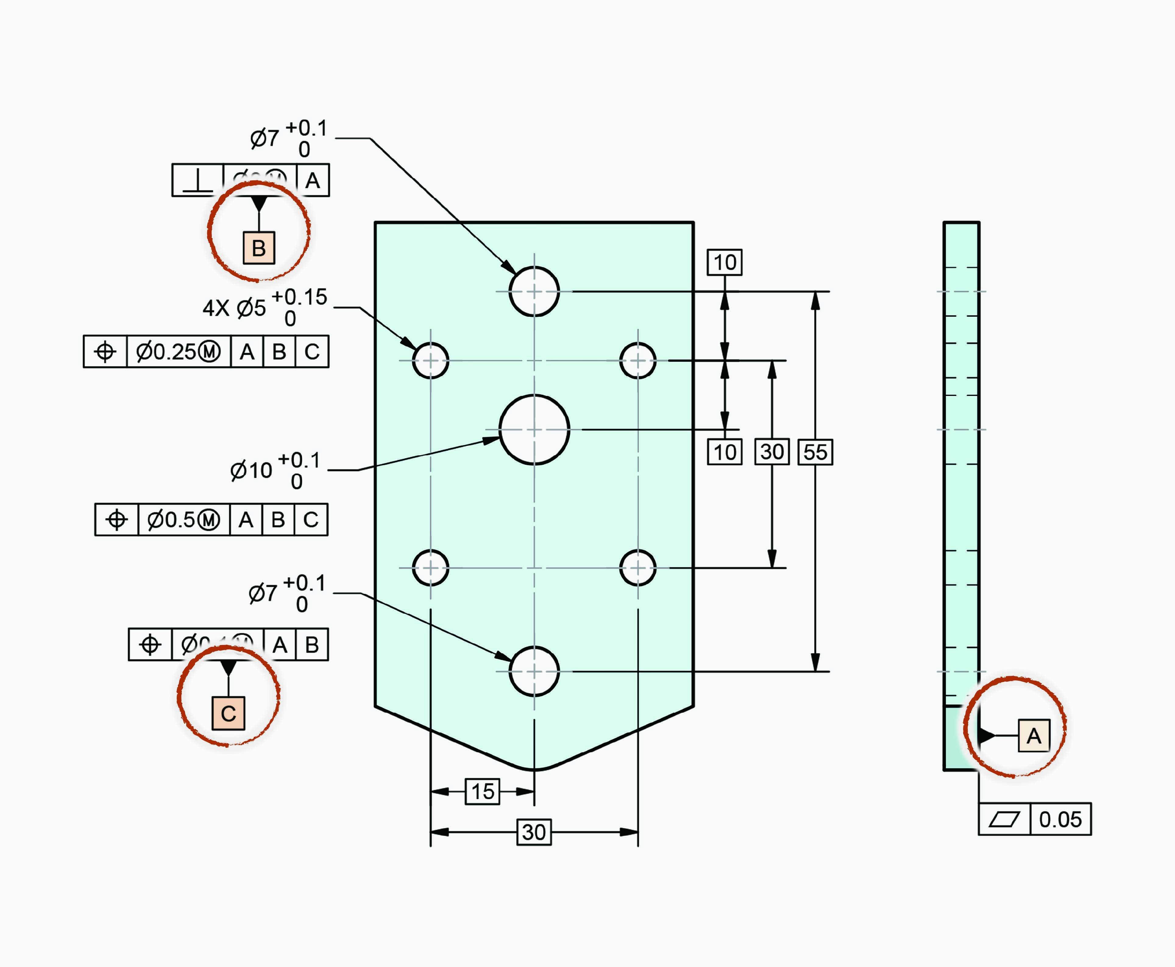
도면에 데이텀 피쳐 심볼 A, B, C가 표시되어 있다. 데이텀 피쳐 심볼 A는 평면서피스인 부품의 바닥면에 연결되어 있고, 데이텀 피쳐 심볼 B는 위쪽에 있는 홀 ∅7을 정의하는 사이즈 치수에 배치된 FCF에 연결되어 있다. 데이텀 피쳐 심볼 C는 아래쪽에 있는 홀 ∅7을 정의하는 사이즈 치수에 배치된 FCF에 연결되어 있다.

먼저 데이텀 피쳐 심볼 C가 연결된 FCF을 보면, 데이텀 피쳐 A와 B가 표기되어 있다. 이는 데이텀 피쳐 C는 데이텀 피쳐 A, 데이텀 피쳐 B를 기준으로 통제된다는 것을 의미한다. 다음으로 데이텀 피쳐 심볼 B가 연결된 FCF을 보면, 데이텀 피쳐 A가 표기되어 있다. 이는 데이텀 피쳐 B는 데이텀 피쳐 A를 기준으로 통제된다는 것을 의미한다. 마지막으로 데이텀 피쳐 심볼 A와 연결된 FCF을 보면, 앞서 살펴보면, 데이텀 피쳐 B, C와는 다르게 아무런 문자도 표기되어 있지 않다. 이는 데이텀 피쳐 A는 그 어떤 피쳐도 기준으로 삼지 않는다는 것을 의미한다.

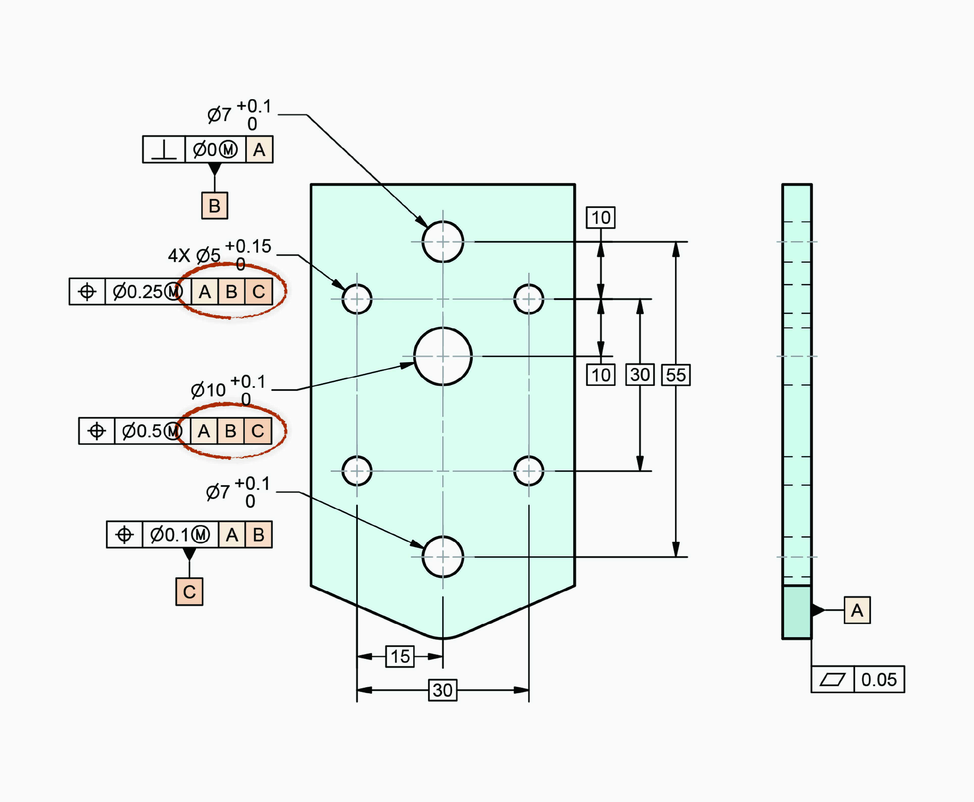
위 그림에 표시한 FCF에는 데이텀 피쳐 심볼이 연결되지 않았다. 하지만 앞서 살펴본 FCF처럼 데이텀 피쳐 문자가 표기되어 있다. 이 경우에도 마찬가지로 해당 FCF가 통제하는 피쳐가 표기된 데이텀 피쳐에 의해 제한된다는 것을 의미한다. 그렇다면 뭔가를 기준으로 삼고자 할 때 데이텀 피쳐를 식별한다는 것을 이해할 수 있다. 그렇다면 어떤 경우에 기준이 필요할까?
기하공차 종류에 따라 데이텀은 필요하기도 하고 그렇지 않기도 하다. 항상 데이텀이 필요한 기하공차도 있고, 항상 데이텀이 필요하지 않은 기하공차도 있다. 또 어떤 것은 필요에 따라 데이텀을 사용할지 말지를 선택할 수도 있다.
데이텀은 피쳐를 통제하는 기준으로 사용한다. 어떤 것의 위치를 설명하려면, 항상 다른 무언가를 기준으로 설명해야 한다. 자세도 마찬가지이다. 자세를 설명하려면, 항상 다른 무언가를 기준으로 설명해야 한다. 예를 들어 어떤 것이 수직이라면 다른 무언가에 대해 90도를 이룬다는 의미고, 수직을 설명하려면 이 “다른 무언가”가 필요하고, 그 “다른 무언가”가 데이텀이 된다. 그렇다면 피쳐의 자세와 위치를 설명하기 위해서는 데이텀이 필요하다는 뜻이 된다.

표를 보면, 데이텀이 필요한지 필요하지 않은지를 알려주는 열이 있다. 공차유형 중에서 자세와 위치를 통제하는 공차가 무엇인지 확인해보자. 자세공차, 윤곽공차, 흔들림공차, 위치공차가 자세와 위치를 통제한다. 그렇다면 이들은 데이텀이 필요할 것이다. 모양공차는 피쳐의 모양만을 통제하므로 데이텀이 필요하지 않다.
여기서 특이한 것은 윤곽공차인데, 윤곽공차는 필요에 따라 데이텀을 사용할 수도 있고, 사용하지 않을 수도 있다. 데이텀은 자세와 위치를 통제할 때 필요하다고 했다. 따라서 윤곽공차로 자세와 위치를 통제하려면 데이텀이 필요하고, 윤곽공차로 자세와 위치를 통제하지 않으면 데이텀은 필요없다.
'기하공차 기초' 카테고리의 다른 글
| Rule #2 : ASME Y14.5에서 가장 중요하고 기본이 되는 원칙 (0) | 2024.11.12 |
|---|---|
| 데이텀 피쳐의 식별 (1) | 2024.11.12 |
| 통제목표 : 목표로 하는 기하학적 상태 (0) | 2024.11.12 |
| 기하공차의 5가지 유형과 특징 (5) | 2024.11.12 |
| 피쳐의 이해 3 : 서피스 피쳐와 사이즈 피쳐 (1) | 2024.11.12 |

